Name: Alessandro Florio and Marco Florio
Home: Verona, Italy
Makerspace: Alemar
Day Job:ย CEO and CTO, respectively, and founders ofย Idrowash,ย a power tool for cleaning exteriors
Howโd you get started making?
When we were kids we disassembledย the old household appliances that were out of order, such as the blender, hair dryer, and radio. Our mom told us, “if it doesn’t work anymore, try to fix it.” The truth is, we never repaired even one, it was impossible because they really were not working anymore.ย This activity was just a game for us, but we started to develop many skills: manual, mechanical, and electrical. Disassembling these objects for the first time, we were trying to figure out how they worked, making some assumptions because we had no specific knowledge.ย Usually after disassembling these objects, we wouldย retrieve the internal parts, such as electric motors, transformers, and even the screws, to use them in other projects.ย Growing up, we gradually started to work on bicycles, scooters, automatic gates and boilers, honing our skills and abilities. While in school we studied electronics and computer science.
What type of makers would you classify yourselves as?
We are the digital artisans of cleaning!ย Our family has been working for five generations in the construction industry, and in our minds, we had the idea of transforming the craft of our grandfather, a builder, and adapting it to the times. Become “makers,” digital artisans. Combine the artisan know-how and hand-made with digital technologies. We are innovators, and we like to experiment and evolveย the traditional world of construction.
Whatโs your favorite thing youโve made?
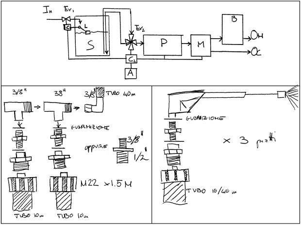
Idrowash is a DIY technology for cleaning civil and industrial spaces, sustainable both for the pockets and for the environment because it uses only water and no chemical substance. The idea was born while renovating our grandfather’s house. We needed a solution to clean the courtyard and the facades in a way that would avoid more expensive construction. Because we had no money.
Thanks to the internet, we have seen some craftsmenย in the United States use a technology that could do the job. We imported, assembled, and even modified some components, but it wasn’tย enough โ we wanted a sustainable solution that would reduce or eliminate the use of chemicals. A significant problem, given that much of the work concerned the exterior of the house, and it was inevitable that these substances would disperse in residential places.
In addition to solving our personal problem, Idrowash is also an opportunity for: architects, engineers, quantity surveyors, retailers, construction companies, and cities, which now have a solution that is distributed as a service for the maintenance and upgrading of buildings and public places.
Whatโs something youโd like to make next?
We want to help thousands of cities around the world to improve the quality of life of citizens and tourists. This can have a positive impact on more than one billion people. There are many side effects to solve a huge global problem such as urban regeneration. We want to increase the quality of life in a city with less use of chemicals and lengthen the life of a building. And we want to do this because we’re inspired by the maker culture.
Any advice for people reading this?
We met three main problems: turn a DIY project in a company that generates revenues, understand how to adapt the digital tools at a traditional job, and the difficult confrontation between different generations.
Stefano Micelli, Professor of Economics at the University of Venice and one of the curators of Maker Faire Rome, has said that,ย “Today those who have more years and who has worked in ways that have been consolidated, has great difficulty in see 30 year olds (and 20 year olds), which burst onto the scene and have something to say. A meeting of different sensitivity, which can now generate value (turnover) and jobs.”ย And also adds, “Today, it is not about to switch from manual labor to that of machines, if you put a 3D printer at home, the increase in productivity requires expertise, time, and know-how: in short, craftsmen. And educational opportunities. The large company earns productivity with robots. The artisans earn it by combining the knowledge (they already have) to digital.”ย So we have to overcome great problems and obstacles but the future is still in our hands, in the hands of those who make. If you want a future, build it.
Who else should we profile?
We are “Maker to Market.”ย Although there is a growing wave of invention and innovation, few makers pursue market opportunities or know how to do it.ย For this reason it is difficult to point toย other makers like us. A big problem, because we don’t know, and we cannot contactย and help each other.
Where can people find you on the web?
On our website, Facebook, Youtube, Instagram, and Twitter.
ADVERTISEMENT







